Komponen sistem bahan bakar bensin.
Jika kamu mencari artikel komponen sistem bahan bakar bensin terbaru, berarti kamu telah berada di web yang tepat. Yuk langsung aja kita simak ulasan komponen sistem bahan bakar bensin berikut ini.
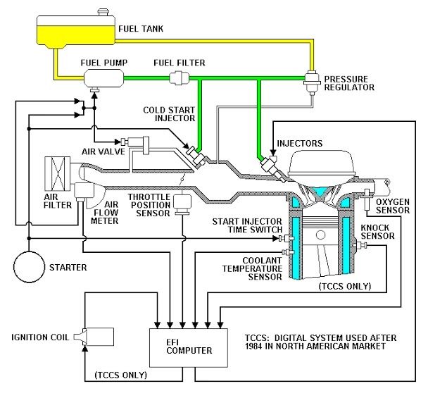
Komponen Sistem Bahan Bakar Bensin Konvensional Dan Fungsinya Otosigna99 From otosigna99.blogspot.com
5132020 Komponen Sistem Bahan Bakar. Safety How YouTube works Test new features Press Copyright Contact us Creators. 5112020 Pada sistem bahan bakar terdapat 3 saluran bahan bakar yaitu. Pada semua tipe mesin dengan injeksi penempatan pompa bensin selalu ada di dalam tangki bensin.
Bensin dialirkan dari tangki melalui saringan selang dan pipa hisap suction tube.
5132020 Komponen Sistem Bahan Bakar. Komponen-komponen pada sistem bahan bakar konvensional antara lain sebagai berikut. Sistem Induksi udara. 8222019 Komponen sistem bahan bakar bensin konvensional terdiri dari beberapa komponen seperti karburator tangki bahan bakar fuel tank selang bensin fuel line charcoal canister fuel pump pompa bahan bakar filter bahan bakar fuel filter. Saluran utama yang menyalurkan bahan bakar dari tangki ke pompa bahan saluran pengembali yang menyalurkan bahan bakar kembali dari karburator ke tangki dan saluran uap bahan bakar yang menyalurkan gas HC uap bensin dari dalam tangki bahan bakar ke charcoal canister.
Source: slideplayer.info
MEMELIHARASERVIS SISTEM BAHAN BAKAR BENSIN. About Press Copyright Contact us Creators Advertise Developers Terms Privacy Policy. Sistem Kontrol Injeksi. Berfungsi menyalurkan bensin. Sebelum melangkah ke sistem kerja kita bahas dulu komponen penting yang harus ada dalam satu sistem bahan bakar bensin.
Pada kendaraaan tahun tua kebanyakan tangki BBM menggunakan bahan logam plat tipis sehingga mudah berkarat.
Fungsi mengatur dan mengukur aliran udara yang masuk ke dalam silinder 3. 9292019 Jadi secara garis besar komponen-komponen sistem bahan bakar antara lain sebagai berikut. Barrel yaitu saluran masuk pada karburator sebagai tempat bercampurnya udara dan bahan bakar yang telah dikabutkan dari main nozzle. Pompa terdiri atas motor pompa itu sendiri check valve relief valve dan filter yang diletakkan di saluran masuk pompa.
Source: sekolahkami.com
Komponen sistem saluran masuk udara saringan udara sistem saluran pemanas udara. Pompa bahan bakar 4. Fungsi system bahan bakar adalah. Berfungsi sebagai tempat penampungan sementara sebelum digunakan.
Source: teknik-otomotif.com
5132020 Komponen Sistem Bahan Bakar. Tipe yang digunakan adalah elektrik dengan motor listrik. Saringan bensin Berfungsi untuk menyaring bensin sebelum dihisap oleh pompa. Tangki bensin Berfungsi untuk menyimpan persediaan bensin yang akan disalurkan ke dalam sistem pembakaran.
Source: geraiteknologi.com
Komponen-komponen pada sistem bahan bakar konvensional antara lain sebagai berikut. Tangki bensin Berfungsi untuk menyimpan persediaan bensin yang akan disalurkan ke dalam sistem pembakaran. Saluran utama yang menyalurkan bahan bakar dari tangki ke pompa bahan saluran pengembali yang menyalurkan bahan bakar kembali dari karburator ke tangki dan saluran uap bahan bakar yang menyalurkan gas HC uap bensin dari dalam tangki bahan bakar ke charcoal canister. Dengan lokasinya yang tertutup ini.
Charcoal Canister yaitu salah satu komponen sistem bahan bakar. Fungsi karburator ini adalah untuk mengabutkan bensin ke aliran udara didalam saluran intake manifold sehingga terjadilah air flue mixture dengan perbandingan yang pas. Bensin dialirkan dari tangki melalui saringan selang dan pipa hisap suction tube. Filter bensin fungsinya untuk menyaring air dan kotoran dari aliran bensin.
Pipa penyalur bahan bakar 3.
Fungsi menyedikan bahan bakar bertekanan tinggi 25- 3 Kgcm2 2. 8222019 Komponen sistem bahan bakar bensin konvensional terdiri dari beberapa komponen seperti karburator tangki bahan bakar fuel tank selang bensin fuel line charcoal canister fuel pump pompa bahan bakar filter bahan bakar fuel filter. Charcoal Canister yaitu salah satu komponen sistem bahan bakar. Tangki penampungan ada yang terbuat dari logam dan ada pula yang dari plastik fiber. Fungsi dari komponen ini adalah menjadi tempat penyimpanan sementara bahan bakar.
Source: encrypted-tbn0.gstatic.com
Tanki bensin fungsinya untuk menampung bahan bakar berupa bensin. Mengontrol jumlah injeksi bahan bakar yang paling tepat sesuai dengan daya beban putaran dan temperatur mesin serta lingkungan. Sistem Bahan Bakar. Komponen sistem bahan bakar uap atau sistem emisi evaporativ 6. Berfungsi menyalurkan bensin.
Berfungsi menampung bahan bakar bensin yang dibutuhkan dalam proses pembakaran mesin. Charcoal Canister yaitu salah satu komponen sistem bahan bakar. Skematik sistem bahan bakar motor bensin a Tangki bahan. Anti Dieseling yaitu salah satu komponen tambahan pada karburator untuk mencegah berputarnya mesin setelah kunci kontak dimatikan.
9292019 Jadi secara garis besar komponen-komponen sistem bahan bakar antara lain sebagai berikut.
9292019 Jadi secara garis besar komponen-komponen sistem bahan bakar antara lain sebagai berikut. 10232013 Komponen komponen dalam sistem bahan bakar bensin Tangki bahan bakar. Fungsi menyedikan bahan bakar bertekanan tinggi 25- 3 Kgcm2 2. Mengontrol jumlah injeksi bahan bakar yang paling tepat sesuai dengan daya beban putaran dan temperatur mesin serta lingkungan.
Source: johanmekanik.com
Fungsi mengatur dan mengukur aliran udara yang masuk ke dalam silinder 3. Pada semua tipe mesin dengan injeksi penempatan pompa bensin selalu ada di dalam tangki bensin. Filter bensin fungsinya untuk menyaring air dan kotoran dari aliran bensin. Dengan lokasinya yang tertutup ini.
Source: slideplayer.info
Filter bensin fungsinya untuk menyaring air dan kotoran dari aliran bensin. Pompa bahan bakar 4. Mengontrol jumlah injeksi bahan bakar yang paling tepat sesuai dengan daya beban putaran dan temperatur mesin serta lingkungan. Pada semua tipe mesin dengan injeksi penempatan pompa bensin selalu ada di dalam tangki bensin.
Source: bisaotomotif.com
Saluran utama yang menyalurkan bahan bakar dari tangki ke pompa bahan saluran pengembali yang menyalurkan bahan bakar kembali dari karburator ke tangki dan saluran uap bahan bakar yang menyalurkan gas HC uap bensin dari dalam tangki bahan bakar ke charcoal canister. Tangki bahan bakar fuel tank Tangki bahan bakar atau tangki bensin berfungsi sebagai tempat menyimpan sementara bahan bakar di dalam kendaraan dalam jumlah tertentu. Saringan bensin Berfungsi untuk menyaring bensin sebelum dihisap oleh pompa. Safety How YouTube works Test new features Press Copyright Contact us Creators.
Pompa terdiri atas motor pompa itu sendiri check valve relief valve dan filter yang diletakkan di saluran masuk pompa.
Sistem Kontrol Injeksi. Jarang ada masalah di komponen ini. 132018 Karburator merupakan komponen utama dalam sistem bahan bakar bensin konvensional. 1272013 Sistem bahan bakar fuel system terdiri dari beberapa komponen utama umumnya komponen utama sistem bahan bakar motor bensin terdiri dari tangki bahan bakar fuel filter saringan bensin pompa dan karburator serta selang dan pipa pipa penghubung fuel line. Pompa bensin fungsinya untuk menyalurkan bensin dari tanki ke karburator.
Source: sekolahkami.com
Tangki penampungan ada yang terbuat dari logam dan ada pula yang dari plastik fiber. Sistem Bahan Bakar. Fungsi system bahan bakar adalah. Komponen Sistem Bahan Bakar Motor Bensin Fungsi utama sistem bahan bakar adalah untuk melayani kondisi campuran bahan bakar dan udara yang tepat sesuai dengan kebutuhan mesin pada bebagai kondisi kerjanya. Siklus pengaliran bahan bakar pada mobil adalah seperti pada Gambar 1 berikut.
Sistem Bahan Bakar.
Tangki bahan bakar fuel tank Tangki bahan bakar atau tangki bensin berfungsi sebagai tempat menyimpan sementara bahan bakar di dalam kendaraan dalam jumlah tertentu. 1222020 Komponen pertama adalah tangki bahan bakar. Biasanya lokasinya ada di bagian belakang dan bawah kendaraan. Tangki penampungan ada yang terbuat dari logam dan ada pula yang dari plastik fiber.
Source: slideshare.net
Komponen sistem saluran masuk udara saringan udara sistem saluran pemanas udara. Pada kendaraaan tahun tua kebanyakan tangki BBM menggunakan bahan logam plat tipis sehingga mudah berkarat. Bensin dialirkan dari tangki melalui saringan selang dan pipa hisap suction tube. Komponen sistem bahan bakar uap atau sistem emisi evaporativ 6.
Source: docplayer.info
Saringan bahan bakar 5. Skematik sistem bahan bakar motor bensin a Tangki bahan. Pada kendaraaan tahun tua kebanyakan tangki BBM menggunakan bahan logam plat tipis sehingga mudah berkarat. Sistem Kontrol Injeksi.
Source: geraiteknologi.com
Sebelum melangkah ke sistem kerja kita bahas dulu komponen penting yang harus ada dalam satu sistem bahan bakar bensin. Menyediakan bahan bakar untuk pembakaran. Pompa bahan bakar 4. Skematik sistem bahan bakar motor bensin a Tangki bahan.
Tanki bensin fungsinya untuk menampung bahan bakar berupa bensin.
1222020 Komponen pertama adalah tangki bahan bakar. 1292013 Untuk beberapa komponen detail akan dibahas pada posting berikutnya. Komponen dalam sistem ini berturut-turut adalah sebagai berikut. Dengan lokasinya yang tertutup ini. Tangki bensin Berfungsi untuk menyimpan persediaan bensin yang akan disalurkan ke dalam sistem pembakaran.
Source: galih-xiitkr1.blogspot.com
Fungsi mengatur dan mengukur aliran udara yang masuk ke dalam silinder 3. MEMELIHARASERVIS SISTEM BAHAN BAKAR BENSIN. Saringan bensin Berfungsi untuk menyaring bensin sebelum dihisap oleh pompa. Komponen sistem saluran masuk udara saringan udara sistem saluran pemanas udara. Safety How YouTube works Test new features Press Copyright Contact us Creators.
Komponen sistem bahan bakar uap atau sistem emisi evaporativ 6.
Fungsi menyedikan bahan bakar bertekanan tinggi 25- 3 Kgcm2 2. Berfungsi menampung bahan bakar bensin yang dibutuhkan dalam proses pembakaran mesin. Berfungsi menyalurkan bensin. Siklus pengaliran bahan bakar pada mobil adalah seperti pada Gambar 1 berikut.
Source: materismk.com
Fungsi system bahan bakar adalah. Fungsi mengatur dan mengukur aliran udara yang masuk ke dalam silinder 3. Komponen sistem saluran masuk udara saringan udara sistem saluran pemanas udara. Dengan lokasinya yang tertutup ini. Pada kendaraaan tahun tua kebanyakan tangki BBM menggunakan bahan logam plat tipis sehingga mudah berkarat.
Source: slideplayer.info
Tangki bahan bakar fuel tank Tangki bahan bakar atau tangki bensin berfungsi sebagai tempat menyimpan sementara bahan bakar di dalam kendaraan dalam jumlah tertentu. 1292013 Untuk beberapa komponen detail akan dibahas pada posting berikutnya. Fungsi dari komponen ini adalah menjadi tempat penyimpanan sementara bahan bakar. 10232013 Komponen komponen dalam sistem bahan bakar bensin Tangki bahan bakar. Sistem Kontrol Injeksi.
Source: teknik-otomotif.com
Komponen sistem saluran masuk udara saringan udara sistem saluran pemanas udara. Komponen sistem bahan bakar uap atau sistem emisi evaporativ 6. 132018 Karburator merupakan komponen utama dalam sistem bahan bakar bensin konvensional. Biasanya lokasinya ada di bagian belakang dan bawah kendaraan. Dengan lokasinya yang tertutup ini.
Situs ini adalah komunitas terbuka bagi pengguna untuk membagikan apa yang mereka cari di internet, semua konten atau gambar di situs web ini hanya untuk penggunaan pribadi, sangat dilarang untuk menggunakan artikel ini untuk tujuan komersial, jika Anda adalah penulisnya dan menemukan gambar ini dibagikan tanpa izin Anda, silakan ajukan laporan DMCA kepada Kami.
Jika Anda menemukan situs ini bermanfaat, tolong dukung kami dengan membagikan postingan ini ke akun media sosial seperti Facebook, Instagram dan sebagainya atau bisa juga simpan halaman blog ini dengan judul komponen sistem bahan bakar bensin dengan menggunakan Ctrl + D untuk perangkat laptop dengan sistem operasi Windows atau Command + D untuk laptop dengan sistem operasi Apple. Jika Anda menggunakan smartphone, Anda juga dapat menggunakan menu laci dari browser yang Anda gunakan. Baik itu sistem operasi Windows, Mac, iOS, atau Android, Anda tetap dapat menandai situs web ini.





